16 Mar,2026
Vane vs. Gear vs. Piston: Quod Industrial HYDRAULICUS Pump optimus Efficens praebet?






Vehiculum Crane Slewing unus ex nostris productis hydrau nuper immissis est. Ultimam generationem praelucet, et similes fructus in foro existentibus praelucet, propter adoptionem technologiae mechanicae hydraulicae ultimi auto-evolutae.
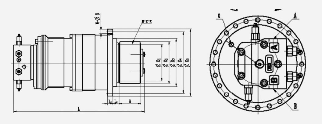
| Vide Code | Rated torque | Rated Speed (N.m) | Totalis obsessio | pressura opus | Ratio | Parametri calces | Super dimensiones et oleum portum specifications | ||||||||||||||
| M | Z | X | B | D1 | D2 | D3 | D4 | D5 | L1 | L2 | L | N | S | A.B | 0 | ||||||
| IYH2.5-A | 800-2000 | 0-120 | 430-1057 | 16 | 5/5.5/7 | 5 | 17 | 0.5 | 70 | 85 | 99.5 | 180 | 230 | 250 | 20 | 24 | 478 | 24 | 11 | N22x1.5 | G1/4' |
| IYH2.5-B | 800-2000 | 0-120 | 430-1057 | 16 | 5/5.5/7 | 6 | 17 | 0.5 | 60 | 102 | 118.8 | 180 | 230 | 250 | 20 | 24 | 468 | 24 | 11 | N22x1.5 | G1/4' |
| IYH2.5-C | 800-2000 | 0-120 | 430-1057 | 16 | 5/5.5/7 | 8 | 17 | 0.5 | 54 | 136 | 159.04 | 180 | 230 | 250 | 20 | 24 | 462 | 24 | 11 | N22x1.5 | G1/4' |
| IYH2.5-0 | 800-2000 | 0-120 | 430-1057 | 16 | 5/5.5/7 | 12 | 13 | 0.5 | 8D | 156 | 191.64 | 180 | 230 | 250 | 20 | 24 | 488 | 24 | 11 | N22x1.5 | G1/4' |
| IYH2.53-A | 3000-6500 | 0-32.5 | 1720-3320 | 16 | 20/28 | 6 | 17 | 0.5 | 60 | 102 | 118.8 | 250 | 290 | 320 | 20 | 75 | 565 | 16 | 17 | N22x1.5 | G1/4' |
| IYH2.53-B | 3000-6500 | 0-32.5 | 1720-3320 | 16 | 20/28 | 8 | 15 | 0.63 | 80 | 120 | 45.63 | 250 | 290 | 320 | 20 | 75 | 585 | 16 | 17 | N22x1.5 | G1/4' |
| IYH2.540 | 3000-6500 | 0-32.5 | 1720-3320 | 16 | 20/28 | 10 | 13 | 0.5 | 85 | 130 | 160 | 250 | 290 | 320 | 20 | 15 | 590 | 16 | 17 | N22x1.5 | G1/4' |
| IYH3-A | 2600-5316 | 0-100 | 1344-2711.5 | 16 | 5/5.5/7 | 6 | 17 | 0.5 | 60 | 102 | 118.8 | 235 | 252 | 270 | 38 | 90.5 | 483 | 24 | 10.5 | N22x1.5 | G1/2' |
| IYH3-B | 2620-5316 | 0-100 | 1344-2711.5 | 16 | 5/5.5/7 | 8 | 15 | 0.5 | 60 | 120 | 143.24 | 235 | 252 | 270 | 38 | 90.5 | 483 | 24 | 10.5 | N22x1.5 | G1/2' |
| IYH3-C | 2600-5316 | 0-190 | 1344-2711.5 | 16 | 5/5.5/7 | 10 | 12 | 0.63 | 80 | 120 | 149 | 235 | 252 | 270 | 38 | 905 | 503 | 24 | 10.5 | N22x1.5 | G1/2' |
| IYH3-D | 2690-5316 | 0-100 | 1344-2711.5 | 16 | 5/5.5/7 | 12 | 15 | 0.65 | 90 | 180 | 416.39 | 235 | 252 | 270 | 38 | 90.5 | 513 | 24 | 10.5 | N22x1.5 | G1/2' |
| IYH4-A | 4873-10886 | 0-90 | 2430-5428.5 | 16 | 5/5.5/7 | 10 | 17 | 0.6 | 85 | 170 | 200.64 | 330 | 370 | 400 | 24.5 | 123 | 625 | 24 | 17 | M33x2 | G1/2' |
| IYE4-B | 4873-10886 | 0-90 | 2430-5428.5 | 16 | 5/5.5/7 | 12 | 13 | 0.5 | 100 | 156 | 191.5 | 330 | 370 | 400 | 24.5 | 123 | 640 | 24 | 11 | M33x2 | G1/2' |
| NEHC | 4873-10886 | 0-90 | 2430-5428.5 | 16 | 5/5.5/7 | 14 | 15 | 0.5 | 100 | 210 | 250.58 | 330 | 370 | 400 | 24.5 | 123 | 640 | 24 | 17 | M33x2 | G1/2' |
| IYE4-D | 4873-10386 | 0-90 | 2430-5428.5 | 16 | 5/5.5/7 | 16 | 12 | 0.5 | 100 | 192 | 238.4 | 330 | 370 | 400 | 24.5 | 123 | 640 | 24 | 17 | M33x2 | G1/2' |
| IYES-A- | 13195-22136 | 0-40 | 6580-11038.5 | 16 | 5/5.5/7 | 12 | 18 | 0.564 | 85 | 216 | 252.03 | 400 | 432 | 460 | 22 | 179 | 979 | 24 | 17 | φ50 | G1/2' |
| IYE5-B | 13195-22136 | 0-40 | 6580-11038.5 | 16 | 5/5.5/7 | 14 | 15 | 0.5 | 100 | 210 | 250.50 | 400 | 432 | 460 | 22 | 179 | 994 | 24 | 17 | φ50 | G1/2' |
| IYE5-C | 13195-22136 | 0-40 | 6580-11038.5 | 16 | 5/5.5/7 | 16 | 12 | 0.5 | 100 | 192 | 237.92 | 400 | 432 | 460 | 22 | 179 | 994 | 24 | 17 | φ50 | G1/2' |
| IYE6-A | 25197-33540 | 0-35 | 12565-16725.5 | 16 | 5/5.5/7 | 16 | 17 | 0.5 | 150 | 272 | 320 | 495 | 525 | 565 | 35 | 235 | 1215 | 24 | 21 | φ50 | G1/2' |
| IYE6-B | 25197-33540 | 0-35 | 12565-16725.5 | 16 | 5/5.5/7 | 20 | 15 | 0.5 | 160 | 300 | 359.6 | 495 | 525 | 565 | 35 | 235 | 1225 | 24 | 21 | φ50 | G1/2' |
| IYE34-4 | 12000-18000 | 0-5.5 | 6622-1165 | 16 | 38.5 | 12 | 12 | 0.5 | 100 | 144 | 180 | 330 | 370 | 400 | 40 | 125.5 | 663 | 24 | 17 | M33x2 | G1/4' |
| IYB34-B | 12000-18000 | 0-5.5 | 6622-1116 | 16 | 38.5 | 14 | 14 | 0.5 | 100 | 196 | 236.6 | 330 | 370 | 400 | 40 | 125.5 | 663 | 24 | 17 | M33x2 | G1/4' |
| IYE45-4 | 13000-25000 | 0-22 | 7028-13804 | 16 | 28 | 12 | 14 | 0.5 | 90 | 168 | 202.8 | 426 | 455 | 490 | 25 | 94 | 770 | 32 | 21 | M33x2 | G1/2' |
| IY845-B | 13000-25000 | Q-22 | 7028-13804 | 16 | 28 | 14 | 15 | 0.5 | 100 | 210 | 250.58 | 426 | 455 | 490 | 25 | 94 | 780 | 32 | 21 | M33x2 | G1/2' |
| IYB45-C | 13000-25000 | 0-22 | 7028-13804 | 16 | 28 | 16 | 12 | 0.5 | 100 | 192 | 237.92 | 426 | 455 | 490 | 25 | 94 | 780 | 32 | 21 | M33x2 | G1/2' |
| IYE56-A | 32740-61406 | 0-11 | 16660-31248 | 16 | 28 | 16 | 17 | 0.5 | 150 | 272 | 320 | 510 | 545 | 580 | 30 | 351 | 995 | 30 | 21 | M33x2 | G1/2' |
| IY856-1 | 32740-61406 | 0-11 | 16660-31248 | 16 | 28 | 18 | 14 | 0.5 | 180 | 252 | 306.18 | 510 | 545 | 5RQ | 30 | 351 | 1025 | 30 | 21 | M33x2 | G1/2' |
| IYE56-C | 32740-61406 | 0-11 | 16660-31248 | 16 | 28 | 20 | 14 | 0.4 | 194 | 280 | 329.48 | 510 | 545 | 580 | 30 | 351 | 1039 | 30 | 21 | M33x2 | G1/2' |
| IYBS7-A | 63000-90000 | 0-8 | 33180-45752 | 16 | 28 | 22 | 14 | 0.5 | 200 | 308 | 374 | 605 | 650 | 700 | 36 | 235 | 465 | 36 | 25 | M33x2 | G1/2' |
| IY857-B | 63080-90000 | 0-8 | 33180-45752 | 16 | 28 | 20 | 13 | 0.5 | 180 | 260 | 320 | 605 | 650 | 700 | 36 | 235 | 445 | 36 | 25 | M33x2 | G1/2' |
| IYE57-C | 63000-90000 | 0 | 33180-45152 | 16 | 28 | 18 | 17 | 0.5 | 140 | 306 | 360 | 605 | 650 | 100 | 36 | 235 | 1405 | 36 | 25 | M33x2 | G1/2' |
| IYH67-0 | 63000-9000 | 0-8 | 33180-45752 | 16 | 28 | 16 | 15 | 0.5 | 125 | 240 | 281.5 | 605 | 650 | 700 | 36 | 235 | 1390 | 36 | 25 | M33x2 | G1/2' |
| IYES7-E* | 63000-90000 | 0-8 | 33180-45752 | 16 | 28 | 40 | 12 | 0.63 | 169 | 480 | 529.6 | 605 | 650 | 700 | 36 | 235 | 385 | 36 | 25 | M33x2 | G1/2' |
| IYB79-A | 110000-160000 | 0-10 | 55285-85148 | 16 | 22/28 | 22 | 14 | 0.5 | 200 | 308 | 374 | 760 | 810 | 850 | 40 | 449.5 | 157 | 36 | 25 | φ50 | G1/2' |
| IYR79-B | 110000-160000 | 0-10 | 5526-85148 | 16 | 22/28 | 20 | 13 | 0.5 | 180 | 260 | 320 | 760 | 10 | 850 | 40 | 449.5 | 155 | 36 | 25 | φ50 | G1/2' |
| IYB79-C | 110000-160000 | 0-10 | 5526-85148 | 16 | 22/28 | 18 | 17 | 0.5 | 140 | 306 | 360 | 760 | 810 | 850 | 40 | 449.5 | 1511 | 36 | 25 | φ50 | G1/2' |
| IYB79-D | 110000-160000 | 0-10 | 5526-85148 | 16 | 22/28 | 40 | 12 | 0.63 | 160 | 480 | 529.6 | 760 | 810 | 850 | 40 | 449.5 | 531 | 36 | 25 | φ50 | G1/2' |
Producta comparata ab inceptis claris ab usoribus penitus creditae sunt.
Annos Industry Usus
Factory Area
Doctus Employees
Provectus Productio Linea
INI Hydraulic Co., Ltd. hydraulic winches, hydraulic motoribus et planetarum inter viginti annos specialisati sunt. We are one of the professional Construction Machinery Accessory Suppliers in Asia. Customizing to optimize customers' ingenious equipment designs is our way to stay alive robustly in the market. Over 26 years, driven by the commitment of always innovating to satisfy customers' needs, we have developed a wide range of product lines based on our self-developed technologies. The wide spectrum of products, each correlating intimately, contains hydraulic and electric winches, planetary gearboxes, slewing drives, transmission drives, hydraulic motors, pumps and hydraulic systems.
Fiducia productorum nostrorum valde in variis applicationibus probata est, non limitata machinae industriae, machinae constructionis, machinae navis & ornatae, apparatum littus, fodienda et metallurgica machina.
Praeterea productum qualitas nostra per plures terrarum inclitorum corporum testimonium approbata est. Testimonia, quae fructus nostri consecuti sunt, includunt EC-Type Examinationis certificatorium, BV INSTITUTUM, DNV GL Certificate, EC Attestationis Conformitatis, certificatorium Type Approval pro Marine Product et Lloyd's Register Quality Assurance. Hactenus, praeter Sinas, mercatum nostrum domesticum, fructus nostros late exportavimus in Civitatibus Foederatis, Germania, Nederlandia, Australia, Russia, Turcia, Singapore, Iaponia, Corea Meridiana, Malaysia, Vietnam, India et Irania. Logistics et post-venditio officia nostra totum mundum prompte et fideliter operiunt de profundis clientibus nostris.
16 Mar,2026
09 Mar,2026
02 Mar,2026
23 Feb,2026
16 Feb,2026
TOP